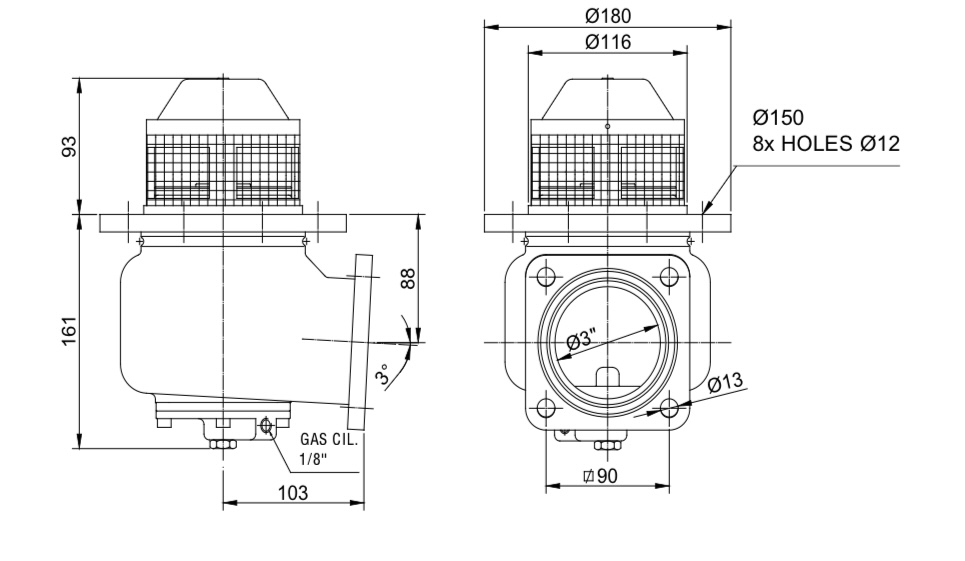
Description
Pneumatic command.
Emergency manual command.
Body pressure tested at 750 kPa.
Air feed pressure 400 to 800 kPa.
Materials:
Body and components in treated lightweight aluminium alloy.
Axles and springs in stainless steel.
Gaskets in fluoroelastomer.










Reviews
There are no reviews yet.